22 - Pumps, Water and RCDs?
Pumps, Water and RCDs?
Applications for inverter speed controlled water pumps associated with RCD protection, can be challenging even for Companies and Staff, with specialist design experience and knowledge. General purpose inverters used for pump speed control and the associated pump may not be compatible with 30 mA RCDs.
Does the application fall within the scope of BS7671 Section 702, relating to swimming pools and other basins? For example, fountains and ornamental ponds require the use of specifically designed pump sets (BSEN60335-2-41). If you are planning to use RCDs - ref Reg. 702.410.3.4.2 (ii) as a protective measure, check with the manufacture, that the pump and controls are compatible with 30 mA RCD protection and the requirements for the Type of RCD - see Reg 415.1 and 531.3.2.
Site Survey First
Assuming you have calculated your basic pump spec/ kW rating requirements: Using general purpose inverters for variable flow rates in irrigation, aeration, drainage, level control etc may not require 30 mA protection (carry out a site risk assessment). The pump equipment must be compatible with TT earthing requirements and any associated RCDs used for fault protection. There are several points to consider, which can have a significant impact on the levels of operational leakage current and consequently, the selection of the appropriate RCD sensitivity to prevent nuisance tripping. The Type of RCD will depend on the inverter design and supply voltage. These points taken together, will influence the selection of the pump equipment, RCD sensitivity and method required to provide a suitable TT earth, with a stable resistance value.
If there is an existing Installation containing an RCD and you intend taking the supply from this device, the Type of RCD must be compatible with inverter manufacturers RCD recommendations e.g. single phase Type F or 3 phase Type B. For example, if the main RCD is supplying a Farmhouse or domestic premises with a 300 mA limit (see Reg. 532), and the inverter requires 25A 300 mA Type B RCD. It may be cost effective to consider a separate feeder circuit, as compared to replacing the main incoming RCD with a Type B – Fig 1. Running the pump on separate circuit, reduces the chances of problems with the existing PE circuit and the addition of leakage currents associated with the main installation.

Fig 1. Type B associated with Type A RCDs
Operational leakage current
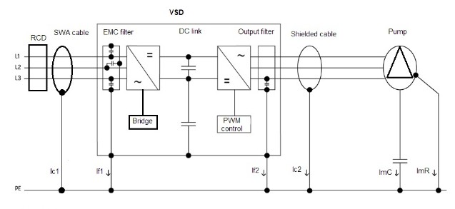
Leakage currents flow to earth during normal operation as a result of capacitors in the EMC filters , DC link, output filters and the parasitic capacitance associated with cabling and the pump motor – see Fig 2.

Fig 2. Operational leakage current components
Applications for inverter speed controlled water pumps associated with RCD protection, can be challenging even for Companies and Staff, with specialist design experience and knowledge. General purpose inverters used for pump speed control and the associated pump may not be compatible with 30 mA RCDs.
The RCD will be subjected to the arithmetic sum of the operational leakage currents and must be rated taking this into account. If recommendations are not given in the Inverter Manufacture’s installation instructions, contact the Inverter Manufacture for advice, on the minimum sensitivity before purchasing the inverter.
Inverter Cables / Filters / Switching frequency
Using a separate inverter and pump: Manufacturers carry out EMC tests with a specified cable length between the inverter, filter and motor.
Figure 3 gives three examples for different kW ratings based on a Manufacturer’s test data, cable length and leakage current. The cable length also impacts on the performance of the EMC filter, life of the motor and for lower kW ratings, an allowance must be made for the cable losses i.e. you may require a larger inverter to cover the pump requirements and the cable losses.

Fig 3. Leakage current increases as function of the motor cable length
Check with the manufacturer on maximum recommended cable length and associated leakage currents. The use of output filters may be required to reduce the effects of increased cable lengths. Changing the inverter switching frequency setting will change the leakage current i.e. capacitive reactance is inversely proportional to frequency, therefore leakage currents increase as frequency increases.
Using external filters not correctly matched to inverter and motor cable lengths, can create serious problems for the installation. If you install EMC filters with a resonant frequency equal to or close to the inverter switching frequency*, very high leakage currents can flow in the resonant circuit created between the inverter and an external EMC filter. This can result in very high touch voltages. Circulating currents within a resonant circuit created downstream of the RCD, do not pass through the RCD - see Fig 4.

Fig 4. External EMC filter / Inverter resonant circuit due to incorrect filter specification.
* Note: Inverters may automatically reduce switching frequency to a lower level at low speed. If this feature is included in the control function, it must be taken into account with regard to filter selection.
Use the inverter manufacturer’s recommended filters or filters from a specialist filter manufacturer who has completed a range of tests with their own filters and the inverter manufacturer’s products. These tests are required to verify the suitability of Filter / Inverter set-up at different switching frequencies.
TT System / RCD sensitivity and Maximum RA values
Determine the minimum RCD sensitivity based on the inverter / pump setup, before designing and costing the cable installation and TT earthing requirements. If you are familiar with the local site conditions nature of the soil (resistivity) , depth of bed rock, seasonal variations, fault currents etc. you will already have some idea of the issues to achieve the required RA value for a 300, 500 or 1000 mA RCD.
Equipment characteristics and installation design
Stand-alone inverter drives and pumps require appropriate planning at the quotation stage. This saves time and unforeseen expenses on site at a later date. The installation design, equipment to be connected and any RCD requirements including the “Type” and “Sensitivity” must be considered together, not in isolation. Inverter based equipment connected to 3 phase supplies, that does not include an isolating transformer (see Manufacture’s information), can only be used with type B RCDs see BS 7671 531.3.3. This is explained in detail in Doepke Techpub-17
Chaz Andrews – Technical Manager, Doepke UK Ltd
SOURCE: © 2020 - 2022 Chaz Andrews. All Rights Reserved. Doepke Tec Art 22 Pumps Water and RCDs-v1 June 20
